江南資訊News Center
泵閥類目展示Product category
熱門標簽Hot News
[2022-09-06]_化工自吸泵是指自吸式離心泵.常用化工自吸泵種類有哪些?主要根據工況環境分為民用的深井水的化工自吸泵(自吸高度30米),含有氣體泡沫的氣液泡沫化工自...[閱讀全文]
[2022-09-01]_防腐自吸水泵 是工業生產中常用的化工泵,防腐自吸泵具有耐酸、耐堿性能和防腐離心泵一樣,采用工程塑料材質制造,具有很強的耐腐蝕功能,在化工行...[閱讀全文]
[2022-08-20]_防酸自吸泵是通常適用于化工領域輸送、提升、加藥酸堿藥液的自吸水泵,常用的工藝流程泵包括給料泵、回流泵、循環泵、沖洗泵、輸出泵等.防酸自吸泵...[閱讀全文]
0563-5090136
所謂自吸泵,就是在啟動前不需灌水(安裝后首次啟動仍然需灌水),經過短時間運轉,靠自吸泵本身的作用,即可以把水吸上來,投入自吸泵正常工作。此外如果長時間間歇使用的話,自吸泵每次開機需檢查泵體是否有引液。
按自吸泵材質分:有耐腐蝕的化工自吸泵,氟塑料材質,不銹鋼材質,鑄鐵材質等。
按自吸泵工作原理分為以下幾類:
1.氣液混合式自吸泵(包括內混式和外混式)
氣液混合式自吸泵的工作過程:由于自吸泵泵體的特殊結構,水泵停轉后,泵體內存有一定量的水,泵再次啟動后由于葉輪旋轉作用,吸入管路的空氣和水充分混合,并被排到氣水分離室,氣水分離室上部的氣體溢出,下部的水返回葉輪,重新和吸入管路的剩余空氣混合,直到把泵及吸入管內的氣體全部排出,完成自吸,并正常抽水。
2.水環輪式自吸泵
水環輪式自吸泵是將水環輪和水泵葉輪組合在一個殼體內,借助水環輪將氣體排出,實現自吸。當泵正常工作后,可通過閥截斷水環輪和水泵葉輪的通道,并且放掉水環輪內的液體。
3.射流式自吸泵(包括液體射流和氣體射流)
射流式自吸泵,由離心泵和射流泵(或噴射器)組合而成,依靠噴射裝置,在噴嘴處造成真空實現抽吸。
氣液混合式自吸水泵原理
氣水混合過程是在葉輪進口及葉輪內部進行的,故稱為內混式自吸泵。外混式自吸泵氣水混合過程是在葉輪外緣及葉輪外部進行的。
外混式自吸泵的工作原理是:自吸泵啟動前先在泵殼內灌滿水(或泵殼內自身存有水)。啟動后葉輪高速旋轉使葉輪槽道中的水流向渦殼,這時候入口形成真空,使進水逆止門打開,吸入管內的空氣進入水泵內,并經葉輪槽道到達外緣。另一方面,被葉輪排到氣水分離室中的水又經左右回水孔流回到葉輪外緣。左回水孔流回的水在壓力差和重力的作用下,射向葉輪槽道內,并被葉輪擊碎,與吸入管路來的空氣混合后,甩向蝸殼,向旋轉方向流動。然后與右回水孔流來的水匯合,順著蝸殼流動。由于液體在蝸殼內不斷沖擊葉柵,不斷被葉輪擊碎,就同空氣強烈攪拌混合(公眾號:泵管家),生成氣水混合物,并不斷地流動致使氣水不能分離。氣水混合物在蝸殼出口被隔舌剝離,沿短管進入分離室。在分離室內空氣被分離出來,由出口管排掉,而水仍經左右回水孔流向葉輪外緣,并與吸入管空氣相混合。如此反復循環,逐漸將吸入管路中的空氣排盡,使水進入水泵內,完成自吸過程。
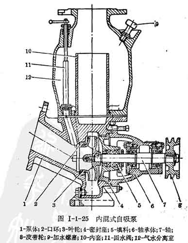
內混式的自吸泵,工作原理與外混式自吸泵相同,其區別只是回水不流向葉輪外緣,而流向葉輪入口。內混式自吸泵在啟動時,須打開葉輪前下方的回流閥,使泵內液體流回到葉輪入口。水在葉輪高速轉動的作用下與吸入管來的空氣相混合,形成氣水混合物排至分離室。在這里空氣排出而水又從回流閥返回到葉輪入口。如此反復進行,直至空氣排盡,吸上水來。
自吸泵的原理結構分析圖
普通離心泵和混流泵,在啟動前必須向泵內灌水或用輔助真空泵,自吸裝置等抽氣引水。而自吸泵則不同,在首次灌水后,下次啟動下不需要灌水或只灌極少量的水,因而適用于起,停頻繁的流動性作業。

內混式自吸泵如圖所示,吸水室是向上傾斜的,可使泵內保持一定量的存水,泵出口處有氣水分離室,具有較大的過水面積,以造成氣水分離。在吸水室上方,開有回流孔與氣水分離室相通,形成循環水的通道。回流孔處裝有手動回流閥,自吸過程中打開,待正常出水后關閉。其他結構與懸架式泵相通。
氣水混合過程是在葉輪進口及葉輪內部進行的,故稱為內混式自吸泵。
外混式自吸泵氣水混合過程是在葉輪外緣及葉輪外部進行的。

該圖為軸向回流式結構,相當于單蝸殼離心泵加一儲水室,儲水室有回流孔與蝸殼相通,水從軸向回流入葉輪外緣及外部。

該圖為徑向回流式結構,蝸殼是雙層的,相當于過水斷面較大的單蝸殼壓水室內加一塊曲率與其相似的隔板,把它分為內外兩個蝸形流到,泵體上不過水斷面變大,為氣水分離室,水從徑向回流入葉輪外緣及外部。
國外專家剖析自吸泵工作原理
相似導讀:防腐自吸水泵七大安裝要點>>>>防腐自吸水泵 是工業生產中常用的化工泵,防腐自吸泵具有耐酸、耐堿性能和防腐離心泵一樣,采用工程塑料材質制造,具有很強的耐腐蝕功能,在化工行業中得到廣泛應用。因為防腐自吸水...more+

FZB系列氟塑料自吸耐酸堿泵簡稱“FZB自吸耐酸堿泵”,FZB自吸耐酸堿泵過流部件均采用氟塑料制成,軸封采用...
詳細了解
FZB系列氟塑料耐腐蝕自吸離心泵簡稱“FZB耐腐蝕自吸離心泵”,FZB自吸離心泵過流部件均采用氟塑料制成,軸...
詳細了解
IHF-NS系列高溫氟塑料泵簡稱【IHF-NS耐高溫氟塑料泵】為單級單吸懸臂式離心泵,泵體采用金屬外殼內襯可熔性聚...
詳細了解
自吸泵工作原理,以及耐腐蝕自吸泵原理都是很多人想知道的,下面【安徽江南】小編帶大家認識一下很詳細的自吸水泵原理剖析.自吸泵工作原理視頻,圖片....

江南榮獲安徽知名
品牌,更放心

多年研發經驗
造就穩定產品質量

所有產品初用到報廢
一路跟進

泵閥技術支持
7x24小時保障